矿产资源储量评审备案管理
来源:矿山地质矿产网 时间:2025/11/12 15:16:39

矿产资源储量评审备案管理

评审备案范围和权限


(一)矿产资源储量评审备案范围包括:探矿权转采矿权,采矿权变更矿种,采矿权变更(扩大或缩小)范围涉及矿产资源储量变化,油气矿产在探采矿期间探明地质储量、其他矿产在采矿期间累计查明矿产资源量发生重大变化的(变化量超过30%或达到中型规模以上的),以及建设项目压覆重要矿产的,应当编制符合相关标准规范的矿产资源储量报告,申请评审备案。不对探矿权保留、变更矿种,探矿权和采矿权延续、转让、出让,矿山闭坑以及上市融资等事由进行评审备案。

滇矿咨询

(二)按照同一矿种同级管理、建设项目压覆重要矿产资源审批权限划分矿产资源储量评审备案权限。

除自然资源部负责本级已颁发勘查或采矿许可证的矿产资源储量评审备案以及建设项目压覆石油、烃类天然气、页岩气、天然气水合物和放射性矿产资源储量评审备案外,省级自然资源主管部门负责煤、煤层气、铁、锰、铬、钒、钛、铜、铝、金、镍、铌、钽、铍、锆、锗、镓、铟、铪、铼、磷、硼、萤石23种矿种(含主矿种、共生矿种、伴生矿种)矿产资源储量评审备案,以及勘查或采矿许可证由省或州(市)自然资源主管部门颁发,主矿种、共生矿种、伴生矿种为部级管理的钨、稀土、锡、锑、钼、钴、锂、钾盐、晶质石墨矿产资源储量评审备案。其余矿产资源储量评审备案由州(市)、县级自然资源主管部门按矿业权出让登记权限执行。

建设项目压覆重要矿产的,除石油、烃类天然气、页岩气、天然气水合物和放射性矿产外,省级自然资源主管部门负责跨州(市)行政区的建设项目压覆重要矿产资源储量评审备案。州(市)自然资源主管部门负责本级行政区内建设项目压覆重要矿产资源储量的评审备案,不区分矿种管理权限。

评审机构选取及要求


(一)自然资源主管部门依据矿产资源储量评审备案申请,按照评审备案范围和权限,可以直接组织开展评审备案工作,也可以全部或部分委托矿产资源储量评审机构(以下简称评审机构)开展工作。专家评审费、按规定开展野外核查等与组织评审备案有关的全部费用列入同级财政预算。全部或部分委托评审机构组织开展评审备案工作的,自然资源主管部门应通过政府购买服务方式公开竞争选择评审机构,评审机构应具备下列条件:

1.具有独立法人资格;

2.不得从事与矿产资源储量评审相关的矿产勘查、矿山地质等工作和技术咨询服务工作;

3.遵守国家法律、法规和矿产资源储量评审备案有关规定;

4.建立健全评审工作规程和质量管理体系,保障评审工作质量;

5.无失信行为记录。

县级自然资源主管部门可以委托州(市)级自然资源主管部门确定的评审机构评审矿产资源储量报告,具体由州(市)级自然资源主管部门规定。

滇矿咨询

(二)自然资源主管部门委托评审机构开展矿产资源储量评审备案工作的,应明确委托事项、责任义务等,并加强监督管理,对未按相关规定开展评审工作造成不良影响的评审机构,予以通报批评;情节严重的,终止委托的相关业务。

滇矿咨询

(三)评审机构应当每年1月底前向自然资源主管部门报送上一年度开展矿产资源储量评审执行情况。

提高储量报告编制质量


(一)矿业权人(申请人)可自行编制或委托有关机构(单位)编制矿产资源储量报告,自然资源主管部门不得指定编制机构(单位)

矿业权人(申请人)应承诺申请评审备案的所有资料和矿产资源储量报告是真实、客观、完整的,无伪造、编造、变造、篡改等虚假内容。

滇矿咨询

(二)编制矿产资源储量报告的矿业权人或地质勘查单位,应在“全国地质勘查行业监管服务平台”注册并填报公示信息,未注册或未填报公示信息的,不予受理矿产资源储量报告评审备案。开展测绘工作的,测绘单位应具备相应测绘资质,从事测绘工作人员应当持有测绘作业证件,并在“全国测绘资质管理信息系统”报送测绘项目清单,无测绘资质或未报送测绘项目清单以及测绘人员无测绘作业证的,不予受理矿产资源储量报告评审备案。

滇矿咨询

(三)矿产资源储量报告应严格遵循现行技术标准规范,提高地质工作质量,贯彻落实绿色勘查要求,加强综合勘查综合评价,加强探采对比,并与勘查方案、开采设计、矿山储量年报(含矿山资源储量年度变化表、矿山储量动态测量年报)等进行有效衔接,加强矿产资源储量、产量、税收等数据信息逻辑一致性对比分析。

滇矿咨询

(四)自然资源主管部门应及时在本级门户网站公开三次不予受理评审备案或评审机构两次不予评审通过的矿产资源储量报告及其编制单位、人员信息。

资源储量勘查程度要求


(一)资源储量规模为大型的非煤矿山、地下矿山、大中型煤矿依据的矿产资源储量勘查程度应达到勘探,其他矿山应达到详查及以上程度;探矿权转采矿权的矿产资源储量报告,其开采技术条件查明程度及矿石加工选冶性能研究程度应达到勘探要求。

滇矿咨询

(二)对于探矿权部分区块转采矿权的,依据申请人提出的拟转采空间范围,编制矿产资源储量报告,评审时仅评价该区域整体勘查工作程度是否达到转采要求。

滇矿咨询

(三)详查和勘探阶段提交申请评审备案的矿产资源储量报告,原则上应按照《矿床工业指标论证技术要求》论证制定工业指标,矿种规范有特殊规定的,按其规定规范执行。勘查阶段或采矿阶段提交申请评审备案的矿产资源储量报告,与最近一次经评审备案的矿产资源储量报告比较,采用的工业指标发生变化或与生产实际不符时,应重新论证工业指标;预可行性研究、可行性研究或生产实际存在大规模利用低品位矿的,应重新论证工业指标。经评审无需重新论证工业指标的,应详述工业指标的合理性。

资源储量评审重点


矿产资源储量评审重点对地质工作质量、工业指标、地质勘查及研究程度、开采技术条件、矿石加工选冶技术性能研究、综合勘查综合评价、资源储量估算及对比、可行性评价等内容的合规性合理性进行审查,符合国家法律法规、政策规定、现行技术标准规范和管理规定的予以通过。具有以下情形之一的,应当不予通过矿产资源储量评审:

1.评审中发现申请资料失实、弄虚作假的;

2.严重不符合相关技术要求和管理规定的;

3.采用的工业指标明显不合理的;

4.勘查工作程度达不到相应勘查阶段要求的;

5.未在规定时间内完成修改或提交补充材料的;

6.修改或提交的补充材料经复核未达到要求的;

7.拒不配合现场核查或现场核查未通过的;

8.矿产资源储量报告与矿山储量年报明显不合理、不自洽的;

9.根据有关管理规定不予通过评审的其他情形。

评审备案简易程序适用情形


(一)已设采矿权变更(扩大)范围位于其垂直投影上部或深部的,矿业权人依据有效的采矿许可证和勘查许可证(采矿权垂直投影上部或深部未设置探矿权的,不需要提供勘查许可证),应合并编制采矿权及其上部或深部矿产资源储量报告申请评审备案。

滇矿咨询

(二)符合条件的采矿权变更(扩大)平面范围属同一主体矿业权人的探矿权,采矿权和探矿权无缝衔接的,可合并编制采矿权(含采矿权垂直投影上部或深部)和探矿权的矿产资源储量报告申请评审备案。

滇矿咨询

(三)已设采矿权扩大周边毗邻零星资源,以及已设采矿权之间、同一采矿权不同区块之间、采矿权与有效的划定矿区范围之间、采矿权与探矿权(资源储量已评审备案且勘查程度评审结论达到探转采要求)之间的夹缝区域等符合国家和省协议出让采矿权的,且扩大后的矿区范围涉及资源储量变化的,按经批准的扩大矿区范围编制资源储量报告申请评审备案。

滇矿咨询

(四)已完成资源储量评审备案的探矿权或有效的划定矿区范围批复,其评审意见书勘查程度评审结论符合设立采矿权要求的,经评审备案的资源储量及估算范围未全部纳入拟申请登记范围的,申请人依据缩减后的勘查范围或缩减范围后的有效划定矿区范围批复文件,自行编制或委托有关机构编制资源储量分割报告。属省级自然资源主管部门评审备案权限的,由厅矿产资源储量评审中心出具审查意见,与原评审备案文件和评审意见书一并作为采矿权登记的依据。

滇矿咨询

(五)评审备案时以采矿权扩大的范围或缩减的范围内有保有资源量,视为“采矿权变更(扩大或缩小)范围涉及矿产资源储量变化”情形,以下情形除外。

采矿权范围与生态红线、自然保护区、矿业权等范围重叠,井口装置、输油(气)管线(外输管线除外)、集输站、井巷工程设施分布范围或者露天剥离范围变化,采矿权坐标系统转换,引起采矿权范围变更且不需要按出让金额方式评估处置采矿权出让收益,采矿权扩大的范围或缩减的范围内保有资源储量变化量属以下情形之一的,视为资源储量没有发生变化,不要求评审备案。

1.采矿权累计查明资源量为大型规模的,变化量不大于采矿权累计查明资源量的1%;

2.采矿权累计查明资源量为中型规模的,变化量不大于采矿权累计查明资源量的2%;

3.采矿权累计查明资源量为小型规模的,变化量不大于采矿权累计查明资源量的5%。

采矿权变更(扩大或缩小)范围资源储量没有发生变化或视为资源储量没有发生变化的,矿业权人应按评审备案权限向自然资源主管部门提出申请,自然资源主管部门委托评审机构或审核机构在15个工作日内完成(不含申请人补正时间)技术审核工作并出具审核意见书,审核意见书可作为采矿权登记的依据。采矿权缩减的范围涉及动用资源的,审核意见书应明确动用资源量。属省级自然资源主管部门评审备案权限的,由省地质调查院(第三方审核机构)组织开展技术审核工作并出具审核意见书。

滇矿咨询

开展技术审核时矿业权人应提交以下审核资料:

1.关于申请矿产资源储量技术审核的函(详见附件5);

2.采矿权变更(扩大或缩小)范围资源储量没有发生变化或视为资源储量没有发生变化的说明;

3.未完成扩大或缩小矿区范围登记的采矿权,提交拟变更矿区范围的联勘联审和矿山生态环境综合评估意见,或地方政府(采矿权登记机关)按权限批准的采矿权变更(扩大或缩小)范围的文件,采矿许可证复印件。已按规定办理变更(扩大或缩小)范围登记的采矿权,提交变更前、变更后的采矿许可证复印件;

4.采矿权最近一次评审备案的矿产资源储量报告、评审备案复函(或证明)和评审意见书;采矿权变更(扩大或缩小)范围视为资源储量没有发生变化的,应提供矿产资源储量核实(分割)报告;

5.矿业权人提供符合要求的采矿许可证证载拐点坐标转换材料(坐标为非2000国家大地坐标系的提供);

6.矿业权人提交审核资料的复印件,需加盖矿业权人公章。

滇矿咨询

(六)因矿政管理和矿业权出让收益评估需要评审(审查)的项目,属省级自然资源主管部门评审备案权限的,由厅矿产资源储量评审中心负责技术评审和监督审查并出具评审意见书,不再备案。

滇矿咨询

(七)上述规定的情形,州(市)、县级自然资源主管部门按评审备案权限参照执行。

滇矿咨询

直接出让采矿权的矿产资源储量评审(备案),各州(市)自然资源主管部门可结合本行政区实际自行制定文件规定。

附件1:申请储量评审备案的函

1.jpg

附件2:矿产资源储量信息表

2.jpg

3.jpg

4.jpg

附件3:储量评审备案现场核查内容

一、非油气矿产现场核查内容

1.矿区(山)的地理、交通、采选(冶)设备及排水设施等情况是否与矿产资源储量报告所述一致。

2.矿区(山)的地形地貌情况与送审的地形图、地质填图是否吻合。

3.槽探、井探、坑探、钻探等新增工程现场及岩矿心情况是否与矿产资源储量报告及有关资料描述一致。

4.按规范要求应标记或保留的相关工程标识是否正确标记或保留;核查野外工作验收结果的真实性情况。

5.有关分析化验测试结果的真实性情况。

6.单位论证工业指标或开展预可行性研究、可行性研究、与之相应的技术经济评价的,核实相应报告的内容和结论的真实性情况。

7.现场质询主要勘查施工人员及报告编制人员,了解勘查施工及报告编制的真实性情况。

滇矿咨询

二、油气矿产现场核查内容

1.核查矿产资源储量区块的地理、交通、地形地貌是否与储量报告描述吻合。

2.抽查与矿产资源储量有关的原始资料,包括地震资料及目的层构造图、测井资料及解释成果、岩心资料是否与矿产资源储量报告及相关材料描述一致。

3.核查有关分析化验资料的合规性、真实性情况。

4.核查矿产资源储量区块勘探开发情况是否与储量报告描述一致。

5.核查油气井试油(气)情况是否与矿产资源储量报告描述一致,矿产资源储量起算标准及是否符合规范要求。

6.核查矿产资源储量落实程度是否符合规范要求。

7.油气开发可行性(开发概念设计、开发方案)研究内容和结论的真实性情况。

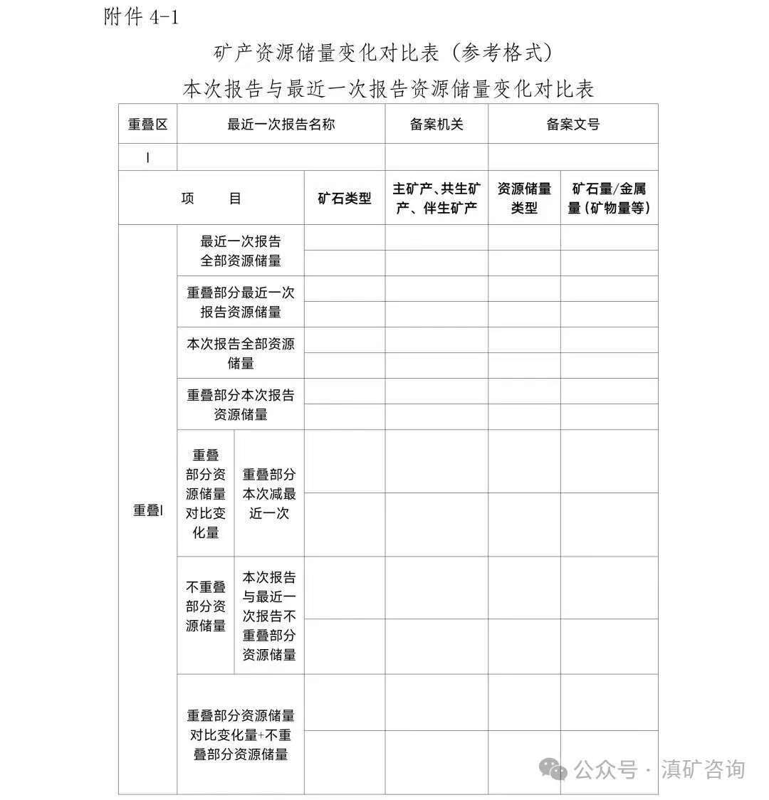
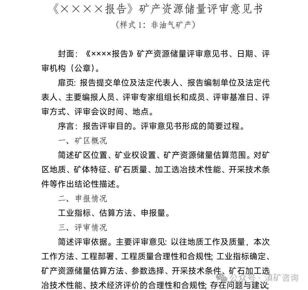
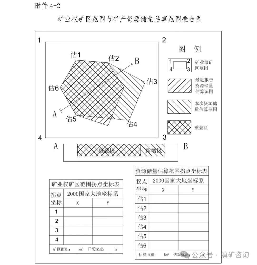
附件4:评审意见书样式

5.jpg

6.jpg

7.jpg

8.jpg

9.jpg

10.jpg

11.jpg

附件5:申请技术审核的函

12.jpg

附件6:储量评审备案公开信息表

13.jpg

附件7:评审备案信息表

夏天一般指夏季。 夏季是一年四季中第二个季节,从立夏起至立秋结束。气温高是夏季最显著的气候特征,但因地域、干湿环境的不同,会产生炎热干燥或者湿热多雨的不同气候。中国幅员辽阔,各地区夏季的气候并非一样。

附件8:评审备案受理信息表

14.jpg


文章来源:滇矿咨询


  • 行业动态

  • 成果展示