玉龙铜业&矿冶集团科研团队:西藏某板岩型铜钼矿选矿工艺优化实验研究
来源:矿冶集团信息研究中心 时间:2025/12/11 16:02:07

西藏某斑岩型铜矿石中Cu、Mo品位分别为0.69%、0.039%,主要可回收金属矿物为辉铜矿、黄铜矿和辉钼矿,脉石矿物主要为石英、方解石、石榴子石等。随着矿产资源的不断开采和岩层分布变化,矿石种类日益繁多,矿物间交代嵌布关系复杂,采用原有的选矿工艺跑尾损失较高,造成混合浮选回收率低,难以获得较好的选矿指标。为有效解决现场跑尾损失高、混合浮选回收率低的问题,在矿石性质研究基础上,开展了选矿工艺优化试验,并进行工艺流程改造。结果表明,对含铜0.69%、含钼0.039%的原矿,采用铜钼新型高效捕收剂BK404C及BK345A,将原“快浮—一次粗选—两次扫选—快浮+粗选粗精矿两次精选”工艺流程改造为“铜钼等可浮—铜强化浮选—两次扫选—铜钼等可浮粗精矿一次精选—铜强化浮选粗精矿两次精选”,全流程闭路试验取得了较好的铜钼混合精矿指标。生产指标相较于原工艺流程,新工艺应用后铜回收率提高了6.65个百分点,钼回收率提高了1.06个百分点。优化工艺有效降低了跑尾损失,提高了选矿回收率,工艺优化实践不仅为矿山可持续发展提供了技术支撑,也为同类型矿山在面对复杂多变的矿石性质时进行选矿工艺改进提供了参考范例,具有重要的理论与实践研究价值。相关成果发表于矿冶期刊群《有色金属(选矿部分)》2025年第10期,题目:西藏某斑岩型铜钼矿选矿工艺优化试验研究。作者:吴明海,郭万中,王立刚,加永泽仁,杨裕,柳富淼,赵兴江。

1.png

扫码下载文章



研究背景

铜、钼作为冶金、机械制造、化工及航空航天等领域的关键原材料,对应矿石资源在国家经济体系中占据重要地位。在常见铜钼矿石中,黄铜矿、辉铜矿是主要铜矿物,辉钼矿为主要钼矿物,浮选技术因其高效性成为回收这些矿物的核心手段。当前,根据矿石性质不同,铜钼选矿已形成混合浮选—分离、等可浮选、优先浮选等成熟工艺体系。然而,西藏某斑岩型铜矿在开采过程中,受资源持续开发与岩层分布改变影响,矿石种类逐渐增多(包括斑岩矿、角岩矿、铜硫矿、矽卡岩矿等),矿物嵌布关系也更趋复杂。这使得原有铜钼混合浮选工艺无法满足矿石特性的变化需求,进而引发跑尾损失过高的问题,对选矿回收率造成显著负面影响。

为实现铜钼矿石中有价元素的高效回收及资源利用率提升,本文针对斑岩型铜矿石,以矿石性质研究为基础,开展选矿工艺优化探索并实施流程改造。结果表明,优化后工艺显著降低跑尾损失、提升选矿回收率,取得理想选别指标。该研究不仅为矿山可持续发展提供技术支撑,也为同类复杂性质斑岩型铜钼矿石的选矿工艺革新提供参考,具有重要的理论与实践价值。



1 矿石性质


1.1 矿石主要化学成分分析

矿石主要化学成分分析结果见表1。由表1可知,矿石中主要有价金属为铜和钼,其中铜含量为0.69%,钼含量为0.039%。此外,含铁2.25%,含硫1.16%;主要造岩元素为SiO2,含量为68.39%,其次为Al2O3和CaO,其含量分别为13.58%和2.79%;有害元素As含量较低,其含量仅为0.022%。

表1 矿石主要化学成分分析结果

2.png


1.2 矿石主要金属矿物铜钼化学物相分析

2. 对矿石中主要金属矿物铜、钼进行了物相分析,分析结果见表2、3。由表2、3 可知,矿石中铜、钼主要以硫化物的形式存在,分布率分别为91.30% 和96.92%。

表2 矿石铜化学物相分析结果

3.png

表3 矿石钼化学物相分析结果

4.png



2 选矿试验及结果分析


2.1 现场浮选工艺流程及指标

现场浮选工艺流程如图1所示,生产指标见表4。由表4可知,闭路试验可获得铜品位为21.12%、钼品位为0.903%,铜回收率为76.52%、钼回收率为60.69%的铜钼混合精矿。该铜矿石铜矿物种类较多,可浮性差异较大,当原矿含泥量高、磨矿过程中出现过粉碎时,在高碱度环境下矿浆黏度增大,导致大量矿泥上浮,精矿质量下降。同时,流程中循环量增加,整体浮选时间显著不足。此外,现有捕收剂对部分矿石的适应性仍存在不足,导致不合理粒级损失增加,进而影响铜和钼的回收率。针对上述问题,开展捕收剂优化试验,并进行工艺流程改造以延长浮选时间。

5.png

图1 现场浮选工艺流程

表4 现场浮选生产指标

6.png


2.2 浮选工艺优化试验

2.2.1 铜钼等可浮—铜强化浮选工艺条件试验

2.2.1.1 等可浮粗选捕收剂用量试验

在磨矿细度-0.074mm占65%、铜钼等可浮粗选采用BK404C作铜捕收剂、BK345A作钼捕收剂、石灰用量2.5kg/t、起泡剂BK201用量8g/t的条件下,进行铜钼等可浮粗选捕收剂用量试验,试验结果见图2。由图2可知,随着BK404C+BK345A用量的增加,铜、钼回收率增加,当BK404C+BK345A用量达到(8+8)g/t后继续增加时,铜、钼回收率趋于平稳。因此,确定铜钼等可浮粗选捕收剂BK404C+BK345A用量为(8+8) g/t。

7.png

图2 捕收剂用量试验结果

2.2.1.2 等可浮粗选石灰用量试验

在铜钼浮选过程中,石灰可改善浮选环境,提高铜钼浮选速度,因此在磨矿细度-0.074mm占65%、捕收剂BK404C+BK345用量为(8+8)g/t,起泡剂BK201用量为8g/t的条件下,进行了石灰用量对等可浮粗选铜钼回收的影响试验,试验结果见图3。由图3可知,随着石灰用量增加,即随着矿浆pH值的提高,铜钼回收率增加,当粗选石灰用量达到4kg/t后继续增加时,铜钼回收率提高不明显。因此,确定石灰用量为4kg/t,此时矿浆pH值为12.22。

8.png

图3 石灰用量试验结果

2.2.1.3 强化粗选捕收剂用量试验

在等可浮阶段易浮铜钼得到了较好的回收,但可浮性相对较差的铜钼未能得到有效回收,为了进一步回收该部分铜钼,在磨矿细度-0.074mm占65%、等可浮粗选石灰用量4kg/t、捕收剂BK404C+BK345A用量(8+8) g/t和起泡剂BK201用量8g/t的条件下,采用捕收力较强的捕收剂进行了铜钼强化回收。强化粗选采用BK404B和BK404C的组合作为铜的捕收剂,在起泡剂BK201用量为4g/t的条件下,进行了强化粗选捕收剂的用量试验,试验结果见图4。由图4可知,随着BK404B+BK404C用量的增加,铜钼回收率增加,但当BK404B+BK404C用量达到(6+6)g/t后继续增加,强化粗选铜钼回收率提高不明显。因此,确定强化粗选BK404B+BK404C用量为(6+6)g/t。

9.png

图4 捕收剂用量试验结果

2.2.1.4 粗选煤油用量试验

试验过程中发现,浮选泡沫量较大且发黏,不利于铜钼的回收和精选。实践经验表明,煤油一方面可改善浮选泡沫状态,另一方面可作目的矿物的辅助捕收剂。因此,在磨矿细度-0.074mm占65%的条件下,固定等可浮粗选石灰用量4kg/t、捕收剂BK404C+BK345A用量(8+8)g/t、起泡剂BK201用量8g/t,固定强化粗选BK404B+BK404C用量为(6+6)g/t和起泡剂BK201用量为4g/t,进行煤油用量对等可浮粗选和强化粗选铜钼回收的影响试验,试验结果见图5。由图5可知,适量添加煤油,可改善浮选泡沫状态,促进铜钼的回收,但用量不易过大,当煤油用量超过(32+20)g/t 后,铜钼回收率有降低趋势。因此,煤油的合适用量确定为(32+20) g/t。

10.png

图5 煤油用量试验结果

2.2.1.5 磨矿细度试验

磨矿是浮选前极其重要的作业,磨矿细度的选择决定了铜钼矿物与脉石矿物是否充分单体解离,合理的磨矿细度至关重要,磨矿细度过粗,目的矿物不能有效解离,过细则容易导致矿石泥化,影响目的矿物的回收。采用等可浮粗选和强化粗选的两段粗选流程,进行了粗选磨矿细度对铜钼选别指标的影响试验,试验结果见图6。由图6可知,随着磨矿细度增加,铜、钼品位呈先增加后逐渐降低趋势,铜、钼回收率呈现出先增加后趋于平稳趋势,当磨矿细度为-0.074mm占65%时,铜钼回收率最佳。因此,确定适宜的磨矿细度为-0.074mm占65%。

11.png

图6 磨矿细度试验结果

2.2.2 铜钼等可浮—铜强化浮选工艺闭路试验

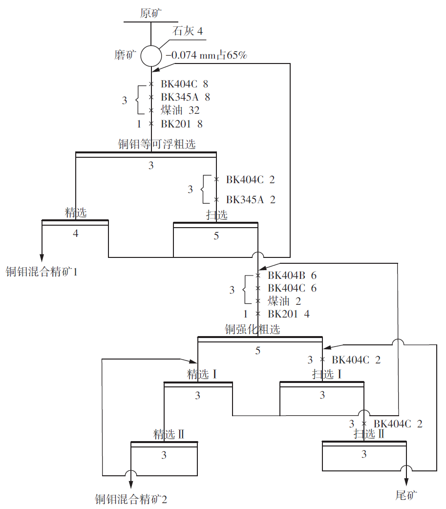
在条件试验的基础上,进行铜钼等可浮—铜强化浮选闭路试验,试验流程见图7,试验结果见表5。由表5可知,闭路试验可以获得铜、钼品位分别为28.51%和1.311%,铜、钼回收率分别为73.12%和59.74%的铜钼混合精矿1和铜、钼品位分别为18.77%和0.623%,铜、钼回收率分别为8.43%和4.97%的铜钼混合精矿2,铜、钼总回收率分别为81.55%和64.71%。

12.png

图7 闭路试验流程

表5 闭路试验结果

13.png


2.3 现场改造

2.3.1 现场工艺改造

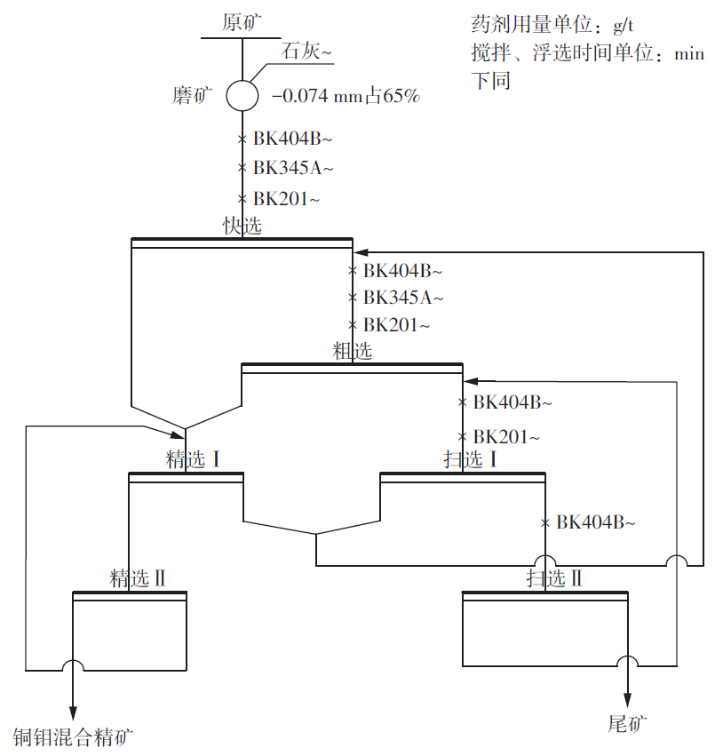
原工艺流程见图8。矿石给入φ8.8m×4.8m半自磨机,半自磨机排矿经SLG2461W单层直线振动筛筛分,筛下产物进入磨矿渣浆池,筛上产物给入顽石破碎缓冲矿仓,顽石经带式给矿机再给入HP200圆锥破碎机进行顽石破碎,破碎产品再返回至半自磨机。直线振动筛筛下产品进入渣浆池,通过渣浆泵泵送至10-φ660mm水力旋流器,旋流器沉砂给入φ6.2m×10.5m溢流型球磨机,旋流器溢流自流至快选前φ8m×8m矿浆搅拌槽。搅拌均匀的原矿浆经过“快浮+一次粗选+两次扫选—快浮&粗选粗精矿两次精选”浮选工艺流程后,得到合格的铜钼混合精矿,其中快浮作业为1台320m3浮选机、粗选作业为3台320m³浮选机、扫选Ⅰ作业为3台320m³浮选机、扫选Ⅱ作业为3 台320m³浮选机,精选Ⅰ作业为6台40m³的浮选机、精选Ⅱ作业为3台40 m³的浮选机。

14.png

图8 改造前工艺流程

技改后工艺流程见图9。磨矿作业未改动的前提下,浮选作业中新增1台320m³的中置浮选机,搅拌均匀的原矿浆经过“铜钼等可浮+铜强化浮选+两次扫选—等可浮粗精矿一次精选、铜强化浮选粗精矿两次精选”浮选工艺流程后,得到合格的铜钼混合精矿,其中铜钼等可浮作业为3台320m³浮选机、铜强化粗选作业为3台320m³浮选机、扫选Ⅰ作业为2台320m³浮选机、扫选Ⅱ作业为3台320m³浮选机,等可浮粗精矿一次精选为3台40m³的浮选机、强化粗精矿精选Ⅰ作业为3台40m³的浮选机、精选Ⅱ作业为3台40m³的浮选机。

15.png

图9 改造后工艺流程

2.3.2 现场生产技术指标与经济效益分析

2.3.2.1 现场生产技术指标

选矿工艺优化后的生产技术指标见表6。由表6可知,现场经过技术改造后,可获得铜、钼品位分别为22.34%和1.09%,铜、钼回收率分别为51.12%和43.14%的铜钼混合精矿1;以及铜、钼品位分别为20.86%和0.701%,铜、钼回收率分别为32.03%和18.61%的铜钼混合精矿2;铜、钼总回收率分别为83.15%和61.75%。与原流程生产指标相比,技改后铜回收率提高了6.65个百分点,钼回收率提高了1.06个百分点。

表6 现场生产技术指标

16.png

2.3.2.2 经济效益分析

1)工艺优化改造新增投资1900万元。

2)技改后铜钼回收率较技改前分别提高6.65和1.06个百分点,原矿处理量按照改造后总处理量6370789.31t、原矿铜、钼品位按照0.69%、0.039%计算,新增铜钼金属量分别为2923.24和26.34t,铜钼金属价格分别按照现场平均销售价格57284.30元/t和314606.70元/t计,共新增销售收入17574.13万元。

3)技改后药剂成本增加约600万元;钢球成本增加约200万元;电费增加约100万元。

综上所述,经技改后累计创造效益为14774.13万元。



3 结论

1)实验室采用铜钼等可浮—铜强化浮选工艺处理该矿石,闭路试验获得铜、钼品位分别为28.51%和1.311%,铜、钼回收率分别为73.12%和59.74%的铜钼混合精矿1;以及铜、钼品位分别为18.77%和0.623%,铜、钼回收率分别为8.43%和4.97%的铜钼混合精矿2;铜钼总回收率分别为81.55%和64.71%,回收效果明显。

2)按试验确定的工艺方案对现场工艺流程进行优化改造,获得铜、钼品位分别为22.34%和1.09%,铜、钼回收率分别为51.12%和43.14%的铜钼混合精矿1;以及铜、钼品位分别为20.86%和0.701%,铜、钼回收率分别为32.03%和18.61%的铜钼混合精矿2;铜钼总回收率分别为83.15%和61.75%。技改后,选矿指标较原生产流程铜回收率提高了6.65个百分点,钼回收率提高了1.06个百分点,累计创造效益为14774.13万元。


  • 行业动态

  • 成果展示