中南大学孙伟团队:铝电解槽大修渣分拣现状及其x射线分选研究
来源:矿冶集团信息研究中心 时间:2025/12/17 16:02:17

铝电解槽大修渣含有高浓度的氟化物及其它有害物质,属于“HW48 有色金属采选与冶炼废物”的类别。若长期存放或填埋,容易引发严重污染,给铝工业运行带来重大挑战。因此,必须对大修渣进行有效的分拣,以确保后续高效处理。然而,目前大修渣的分拣方法效率低下,以人工为主,有害粉尘导致工作环境差,亟待改进。所以本文分析了青海省大修渣的组成,并评估了现有的大修渣分拣现状;同时开展大修渣的X 射线分拣实验。研究结果表明,X 射线分拣机能够有效地分离大修渣中的防渗料、阴极炭块和覆盖料,为大修渣的安全分离提供了一种高效解决方案。相关成果发表于矿冶期刊群《有色金属(中英文)》2025年第10期,题目:铝电解槽大修渣分拣现状及其X射线分选研究。作者:赵玉洁,刘卫平,严军,梁联联,沈超,王大喜, 闫广锐,周承丞,张国林,孙伟。

1.png

扫码下载文章



研究背景

铝及其合金材料凭借优良的耐腐蚀性、易加工和循环利用等特性被广泛应用于高铁、新能源汽车、航天航空、游船和游轮等领域,成为仅次于铁的全球第二大金属材料。我国是全球第一大的铝生产国,铝行业产生的固体废物对环境的影响日渐突出。铝电解槽的使用周期通常为2 500~3000 天,生产结束后需进行停槽检修,更换内衬材料,并对电解槽进行重新筑炉和砌筑,随后通电焙烧恢复生产。在此过程中产生的废旧内衬材料,被称为铝电解槽大修渣。铝电解槽大修渣中富含大量可溶性氟化物及氰化物,若未经处理直接堆放或填埋,将对生态环境和人体健康造成严重威胁。依据2020 年发布的《国家危险废物名录》,铝电解槽大修渣电解铝工艺产生的大修渣被归类为HW48 类废物,代码为321-023-48,并已被纳入《危险化学品目录》,明确了其具有环境和健康危害性。

根据国家统计局的数据,2022 年中国的电解铝产量达到了4021 万吨。青海省是我国铝生产大省,目前约有300 万吨的产能。电解生产1 t 原铝,通常会产生30~50 kg 的铝电解槽大修渣。按青海省年产300 万吨电解铝计算,全省每年约产出铝电解槽大修渣9~15 万吨。长期以来,青海省对电解铝产生的危险废物主要采用安全填埋的处置方法。这种做法不仅对环境安全构成潜在威胁,还导致了大量资源的浪费。

当前,处理铝电解槽大修渣的方法主要有安全填埋、物理分选、火法处理和湿法处理等。由于大修渣中含有的NaF、NaCN 等有害物质,其易溶于水,填埋法不利于环境保护,容易造成地下水污染。物理分选法由于自身工艺所限,对大修渣成分要求苛刻,且设备投资高、分选效率低,难以得到有效推广。火法处理工艺虽能有效固化氟和分解氰化物,但无法回收炭素材料,造成资源浪费,无法满足资源循环利用要求,不符合国家“双碳”目标。湿法处理工艺可高效提取铝电解槽大修渣中的有价物质,有利于资源循环利用,但由于工艺流程长,如直接对大修渣进行破碎- 浸出处理,渣量大,浸出效率低。因此,探索一种流程短、能耗低、劳动强度小的大修渣智能分拣工艺和大修渣分质分流利用工艺,是目前铝电解槽大修渣综合利用工业面临的重大挑战。

大修渣由防渗料、阴极碳块、阴极钢棒和覆盖料等组成。目前大修渣分拣以人工为主,劳动强度大,车间操作环境差,处理效率低。因此,大修渣分拣的自动化和智能化迫在眉睫。X 射线分选技术是一种高效、环保的矿石处理方法,能有效分离废石和矿石,提升矿石品位和产量。X 射线分选技术已经成功应用于铅锌矿,磷矿,煤矸石,废旧塑料,石膏,铀矿,含金硫化矿,花岗岩,高岭石,黑钨矿,滑石,锡矿,石英砂,铜矿和钍矿分选。X 射线分选技术在采场和废石场的应用,不仅减少了运输和堆存成本,还提升了矿石回收率。在国家提倡节能减排大环境下,X 射线分选技术以其显著的经济和社会效益,正受到越来越多的关注。因此,本文将X 射线分选技术首次用于铝电解槽大修渣分拣,为大修渣的后续分质分流利用提供原料保障。

X 射线物料分选是一种物料预选新技术,对物料进行初步预选能够大幅度降低选别分类成本,从而提高资源开发利用效率,具有明显的经济效益。本文首次将X 射线分选技术用于铝电解槽大修渣中防渗料、阴极炭块和覆盖料的分拣,目的是寻求技术可行、操作环境安全和经济合理的大修渣预分选方法,通过研究分选准确率指标,为大修渣的智能化分拣提供科学依据。


1 大修渣组成及分拣现状

铝电解槽结构如图1 所示。铝电解槽大修期间,电解槽内部的阴极炭块,阴极碳块上部的覆盖料,阴极炭块中间的阴极钢棒,阴极炭块底部的防渗料,以及耐火砖及保温材料等全部需要进行更换,更换下来的整块或者破碎渣统称为大修渣。

大修渣的主要组成如表1 所示。防渗料、阴极炭块和阴极钢棒分别占总重量的56.6%,22.8%和16.9%,覆盖料约占1.6%。

2.png

图1 铝电解槽示意图

表1 大修渣的主要组成

3.png

覆盖料、阴极炭块和防渗料的XRD谱如图2所示。覆盖料主要物相为霞石和氟化钠,防渗料主要物相为霞石和少量氟化钠,阴极炭块主要物相为炭和氟化钠。

4.png

图2 大修渣的主要组分物相分析

目前大修渣分拣是先用带破碎锤的挖掘机将大修渣破碎成大块,利用液压爪将阴极钢棒与大修渣分离,再利用带破碎爪的挖掘机将大修渣破碎成小块,之后人工将防渗料、阴极炭块、覆盖料和保温料等分拣。目前,整个过程主要依赖人工间歇操作,导致工人劳动强度大、粉尘多且分拣效率低。大修渣中氰化物和氟化物含量较高,粉尘对工人健康影响较大,随着国家环保要求的日益提高,大修渣的智能化分拣研究迫在眉睫。



2 大修渣X 射线分选研究


2.1 大修渣原料准备

本次实验分选入料为大修渣除阴极钢棒外的主要组成部分,如防渗料、阴极炭块和覆盖料。粒度为30~80 mm。实验分为调试段与实际段两部分,入选物料信息如表2 所示。

表2 实验矿样信息

5.png


2.2 实验设备

实验设备为北京霍里思特科技有限公司的104 系列第四代智能分选机。如图3 所示,工作主皮带宽度1.6 m,运转带速3 m/s,可分选块物料粒度8~120 mm,处理能力40~200 t/h。

6.png

图3 霍里思特104 光电分选机

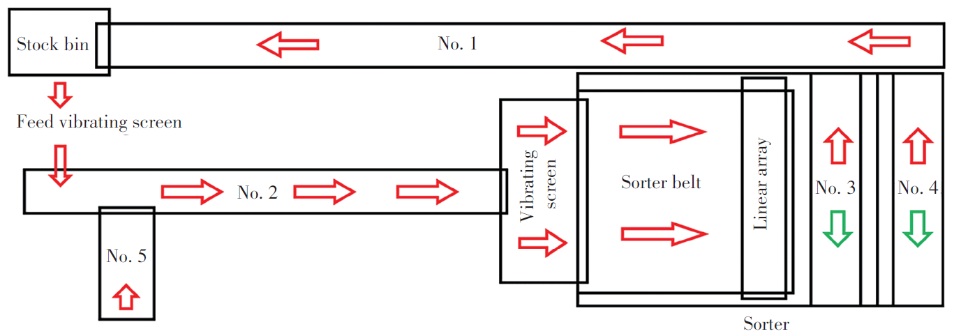
XCZ-400 为分选机的智能检测软件。如图4 所示,实验平台由5 号给料皮带,2 号上料皮带,3 号皮带,4 号皮带,1 号回料皮带,给料振动筛,振动筛,分选机,0.8 双能线阵、1.6 双能线阵,监控系统,工控机及电脑主机构成。矿石经由5 号给料皮带将矿石传送到 2 号上料皮带。2 号上料皮带将矿石传送到振动筛,振动筛均匀给料至分选机皮带,经过线阵扫描计算后判定将矿石分为T0、T1、T2。信息同步至喷吹系统将矿石分离。未喷吹的矿石落入3 号皮带,喷吹的矿石落到4 号皮带。3 号和4 号皮带可以调整传送方向(出料,回料)。经由3 号和4 号皮带的矿石回到1号回料皮带传送至料仓。料仓下方的给料振动筛由给料控制器控制给料速度,使矿石落到2 号上料皮带循环给料。

7.png

图4 光电分选机实验流程图


2.3 实验原理

104 系列智能分选机工作原理如图5 所示,使用射线源发出X 射线对预处理来料进行扫描,由高性能探测器采集数据,通过智能算法识别入料的性质差异,利用气排枪喷吹方式将入料进行分离,从而实现对入料的分选。

8.png

图5 光电分选机工作原理示意图

当矿石经过射线源正下方时,X 射线(由高电压激发产生)与传送带上的矿石块相互作用,导致X 射线强度减弱。这种衰减程度取决于矿石块中元素成分的不同。实验研究之前,对防渗料、阴极炭块和覆盖料进行了数据采集与分析。这些初步结果为设置X 射线分选实验参数提供了重要参考。数据采集结果见图6。

9.png

图6 大修渣主要组分样本X射线数据采集图像


2.4 操作流程

将皮带和分选机电源打开,打开XCZ-400 软件,检查线阵是否符合实验需求,如果不符合需要则更换线阵,打开空压机及冷干机。工控机显示面板出现系统启动完毕,按自检按钮,自检结束显示自检完毕后,方可开始实验。实验分为如下7个步骤:

1)取原矿,粉碎矿石。称重并记录;

2)将矿石通过皮带返回至料仓,并记录实验矿石总质量;

3)扫描矿石;

4)根据实验需求调整参数;

5)开始实验,每次实验后将数据保存;

6)矿样取样称重并记录;

7)对所有矿样进行拍照,发送给制样员进行制样。


2.5 大修渣分选实验流程

实验分为两个部分,首先是调试阶段,其次是实际分离阶段。在调试阶段,将青海莱润环保科技有限公司人工拣选后的防渗料、阴极炭块和覆盖料混合后进行分选,调试阶段的目的是直接确定最佳的分选流程与分选参数。由于覆盖料以白灰色为主,防渗料和阴极炭块以灰黑色为主,所以用黄色胶带包裹防渗料,从而可以将覆盖料、防渗料和阴极炭块通过人工视觉识别,机器分选后可以直接判断分选效果,若分选效果不佳则继续将分选后的样品二次混合后再次进行分选实验。经过多次优化,确立了二次分选的实验参数和工艺流程,在该工艺条件下能够有效分离防渗料、阴极炭块和覆盖料。

调试阶段结果表明X 射线分选机能够将大修渣准确分拣后,接着开展实际分离段实验。将实际大修渣加入X 射线分选机,采用调试阶段的最佳工艺参数进行智能分拣,进而测试X 射线分选机在大修渣实际分拣中的应用效果。分选后将以上产品分别称重,并进行人工识别分类,从块数和重量两个方面计算分选准确率,如公式(1)所示。实验流程如图7 所示。

10.png

11.png

图7 大修渣X射线分选流程图


2.6 大修渣分选实验结果

取30~80 mm 原矿30 kg 进行调试段实验,最终实验结果如表3 所示。

表3 调试段实验数据表

12.png

调试段最终结果表明,阴极炭块产品的分选准确率按块数和重量计分别为94% 和97%,覆盖料的分选准确率按块数和重量计分别为89% 和95%,防渗料的分选准确率按块数和重量计分别为92% 和96%。实验结果表明X 射线分选能够将大修渣的主要组分进行分离。

基于调试段的实验结果,取30~80 mm 的大修渣33.4 kg 进入实验设备进行实验,实验结果如表4 所示。实际段最终结果表明,阴极炭块产品的分选准确率按块数和重量计分别为99% 和98%,覆盖料的分选准确率按块数和重量计分别为93% 和88%, 防渗料的分选准确率按块数和重量计分别为99% 和92%。如图8 所示,实验结果进一步验证了X 射线分选能够实现大修渣主要组分的分离。

表4 实际段实验数据表

13.png

14.png

图8 大修渣X射线实际分选实验结果


2.7 人工分选与X 射线分选对比

人工分选与X 射线分选的主要指标如表5 所示。与人工分选相比,X 射线分选机可以达到相同的分选准确率,而且分选准确率不受劳动人员工作状态的影响,分选产品质量波动较小。同时,X 射线分选的劳动人员数量是人工分选的20%,主要工作内容包括大修渣的破碎及X 射线分选机的运行状态监视,劳动强度较小,受粉尘影响低。X 射线分选机的处理量是人工分选的20 倍,为100 t/h。因此,与人工分选相比,X 射线分选机可以在降低劳动人员工作强度和改善工作环境的情况下,取得更高的产量和分选质量。

表5 人工分选与X射线分选的大修渣参数对比

15.png



3 结论

基于铝电解槽大修渣人工拣选效率不高、有毒粉尘影响严重的问题和不足,结合当今资源节约型、环境友好型的社会发展需求,以铝电解槽大修渣为研究对象,采用X 射线分选机开展大修渣中防渗料、阴极炭块和覆盖料的高效分离研究。

实验研究结果表示,利用智能分选机对30~80mm大修渣物料进行分选,具备较高的技术可行性。混合入料经过两次分选被有效分为三类产品,尤其对阴级碳块物料分选效果明显,机选产品无其他物料明显混入,阴极碳块分选准确率为98%~99%。覆盖料和防渗料的分选准确率分别为885~93%和92%~99%。X射线分选机为铝电解槽大修渣的智能自动化分拣提供了可靠的技术保障。

  • 行业动态

  • 成果展示