昆明理工大学童雄团队:云南某低品位钛铁矿磁—重联合选矿试验研究
来源:矿冶集团信息研究中心 时间:2026/1/4 16:51:16

钛铁矿作为提取金属钛及其化合物的主要原料,因其优良的物理化学性质,在航空航天、军事装备、化工催化及高端制造等关键领域具有不可替代的应用价值。然而,随着全球范围内钛资源的持续开发与消耗,高品位、易选别的钛铁矿资源日益枯竭,资源禀赋逐渐向低品位、复杂共生的矿石类型倾斜。在这一背景下,如何高效利用成分复杂、嵌布粒度细、有用矿物含量低的钛铁矿已成为保障钛资源稳定供应和促进行业可持续发展的关键课题。针对云南某低品位钛铁矿开展了系统的选矿试验研究,首先对矿石性质进行分析,发现该矿石具有有用矿物含量低(mFe 3.58%,TiO₂ 3.82%)、矿物颗粒较细、矿物组成复杂,且有用矿物与脉石矿物物理化学性质相近等特点。在此基础上,提出了“弱磁选铁—强磁预富集钛—摇床精选钛”的联合分选工艺,试验最终获得mFe品位53.88%、回收率96.02%的铁精矿和TiO₂品位47.32%、回收率25.71%的钛精矿。钛精矿中主要杂质含量分别为MgO 2.28%、CaO 0.18%、P 0.024%、S 0.062%、Fe₂O₃ 11.18%、SiO₂ 3.77%、Al₂O₃ 0.40%、TiO₂+Fe₃O₂+FeO=93%,符合YS/T351—2015钛铁矿精矿六级品标准,实现了铁和钛资源的高效回收利用。研究结果为同类低品位钛铁矿的选矿工艺开发提供了技术依据,对促进钛资源绿色可持续发展具有积极意义。相关成果发表于矿冶期刊群《有色金属(选矿部分)》2025年第11期,题目:云南某低品位钛铁矿磁—重联合选矿试验研究,作者:范琳琳,童雄,谢贤,刘丹丹,姚若愚。

1.png

扫码下载文章



研究背景

钛是一种重要的战略资源,具有密度低、抗腐蚀、强度高、耐高温、超导性等诸多优点,已广泛应用于航空航天、生物医疗、石油化工、信息技术、热能工程、化工和石化工业、冶金工业、汽车工业、建筑业、医疗及日常生活等领域。钛铁矿是目前最主要的钛矿资源,分子式为FeTiO₃或FeO・TiO₂。据美国地质调查局(USGS)2023年公布的数据,世界钛铁矿储量约6.5亿t(以TiO₂计)。我国钛铁矿储量约2亿t,居世界之首,主要分布于四川、云南、河北、广东、广西等地。

随着资源的不断开发利用,中国优质钛铁矿资源逐年减少,因此对低品位钛铁矿资源的利用势在必行。由于低品位钛铁矿中矿物成分复杂,且钛铁矿与某些脉石矿物的可选性相似,选别过程中存在比较严重的交互影响,因此给低品位钛铁矿的分选带来了困难,如何提高低品位钛铁矿的分选效率是摆在选矿工作者面前亟待解决的难题之一。钛铁矿主要选别工艺有磁—重联合工艺、磁—浮联合工艺、磁—重—浮联合工艺、单一浮选工艺以及重—电联合工艺等。

通过工艺矿物学研究发现,云南某低品位钛铁矿矿中可回收的主要有价元素为铁和钛,可回收铁主要为磁铁矿,TFe品位为14.64%,mFe品位为3.58%;可回收钛主要为钛铁矿,TiO₂品位为3.82%。针对矿石性质和特点,开展了磁—重联合选别回收矿物中铁和钛的试验研究,最终有效回收了矿物中的磁铁矿和钛铁矿,对低品位钛铁矿的选别回收具有借鉴意义。



1 矿石性质


1.1矿样化学多元素分析

为查明矿样中可回收利用的有价元素,实现对矿物的综合利用,进行了化学多元素分析,分析结果见表1。从表1可以看出,矿样中TFe含量为14.64%,TiO₂含量为3.82%,V₂O₅含量为0.06%,矿样中钒含量较低,不考虑回收,矿样中可回收的主要有价元素为铁和钛。矿样中的脉石矿物主要为铝硅酸盐类矿物,含量较高,总计60.35%,选别时对矿样中的有价元素回收利用影响较大。此外,矿样中还含有部分硫化矿物,但含量较低,可不考虑。

表1 矿样化学多元素分析结果

2.png


1.2矿样粒度组成分析

为查明矿样中有价元素铁和钛的粒级分布状态,对矿样进行了粒度筛析试验,试验结果见表2。从表2可以看出,矿样中+0.074mm粒级占50.59%,细粒级-0.038mm占33.96%。矿样中细粒级矿物含量相对较高,但细粒级矿物中Fe和TiO₂品位较低,仅为8.14%和0.73%,大部分Fe和TiO₂主要是集中分布在-2+0.038mm,分布率分别为82.45%、93.44%。

表2 矿样粒度筛析结果

3.png


1.3矿样物相分析

为进一步查明矿样中有价元素铁和钛的赋存形式,对矿样进行了铁和钛的物相分析,分析结果见表3、4。

表3 矿样中铁物相分析结果

4.png

表3铁的化学物相分析结果表明,矿样中的铁赋存矿物种类较多,主要赋存在赤(褐)铁矿、磁铁矿和硅酸铁中,分别占铁总量的47.03%、21.88%和16.04%。其中硅酸铁矿物中的铁难以回收,作为脉石矿物处理;以赤铁矿、褐铁矿形式赋存的铁矿物比磁化系数较小、磁性相对较低,弱磁选回收难度较高;其他类型铁矿物含量过低,不具备回收利用价值。所以可回收的铁矿物主要为磁铁矿。

表4 矿样中钛物相分析结果

5.png

表4钛化学物相分析结果表明,矿样中的钛赋存矿物种类虽较多,但钛的赋存相对集中。以钛铁矿形式赋存的钛元素的含量较高,占TiO₂总量的61.77%,钛铁矿为回收钛元素的最主要目的矿物;还有部分钛元素赋存于钛磁铁矿、榍石、硅酸盐中,榍石和硅酸盐中的钛无法回收利用,作为脉石处理。

综上所述,为实现矿物中铁和钛的高效回收,主要回收磁铁矿中的铁和钛铁矿中的钛。在选矿回收过程中,有以下因素需要考虑:铁赋存矿物中赤(褐)铁矿含量较高,赤(褐)铁矿和钛铁矿理化性质接近,可选性相似,可能会影响钛铁矿精矿的品质;钛磁铁矿矿物晶格中大量存在的钛元素也会对磁铁矿精矿的品质造成影响。



2 试验结果与讨论

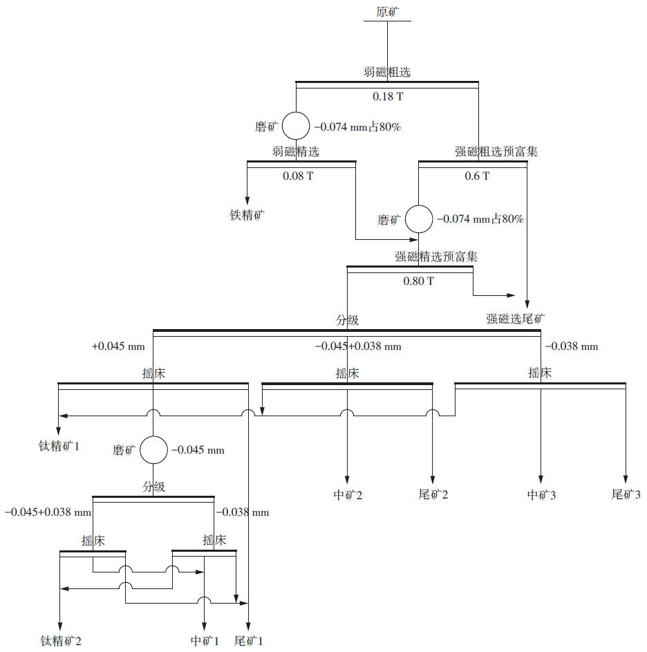
针对矿样有用矿物含量低、脉石含量高、粒度较细难分选、矿物组成复杂及部分矿物理化性质相近等特点,初步拟定工艺流程为:先采用弱磁选分选出磁性铁;然后采用强磁选预富集钛铁矿,抛除大量尾矿;最后再采用重选法精选出钛铁矿。


2.1弱磁选铁试验

2.1.1弱磁粗选磁场强度试验

矿样粒度为-0.038mm占33.96%,为避免磨矿粒级过细影响选别效果,所以不进行磨矿,直接采用弱磁设备对矿物进行选别,粗选磁场强度试验结果见图1。由于矿物中含有部分钛磁铁矿,磁铁矿和钛磁铁矿理化性质接近,弱磁选铁时会有部分钛磁铁矿一起进入铁精矿中,在保证回收铁的同时也要避免过多的钛进入铁精矿中,影响铁精矿品质。由图1可知,随着磁场强度的增加,TFe品位逐渐降低,回收率逐渐增大;在磁场强度为0.18T后,TFe回收率下降幅度减缓,且此时铁粗精矿中的TiO₂损失最少。为避免铁粗精矿中TiO₂含量过高,综合考虑,粗选适宜磁场强度为0.18T。

6.png

图1 粗选磁场强度试验结果

2.1.2弱磁精选磨矿细度试验

为了进一步提高铁精矿品位,降低铁精矿含钛量及其他杂质含量,在粗选场强0.18T、精选场强0.10T的条件下,对获得的铁粗精矿进行了磨矿细度试验,试验结果见图2。由图2可知,随着磨矿细度增加,TFe品位逐渐增大,回收率逐渐降低,铁精矿中TiO₂品位和回收率都呈下降趋势,当磨矿细度为-0.074mm占80%时,铁精矿中TiO₂品位和回收率达到最低值,铁精矿中含钛量最低。因此,-0.074mm占80%为铁粗精矿精选合适的磨矿细度。

7.png

图2 铁粗精矿磨矿细度试验结果

2.1.3弱磁精选铁磁场强度试验

为确定弱磁精选铁的最佳磁场强度,在粗选场强0.18T、精选磨矿细度-0.074mm占80%的条件下,对获得的铁粗精矿进行磁场强度试验,试验结果见图3。由图3可知,随着磁场强度增加,铁精矿品位呈先增加后减小的趋势,回收率逐步增加,造成该现象的原因在于:磁场强度大于0.08T后,磁选设备吸附了部分细粒级非磁性矿物,造成铁精矿品位降低,回收率升高。当磁场强度为0.08T时,铁精矿品位达到最大值54.18%,此时铁精矿中的TiO₂回收率最低,为27.41%。综合考虑,弱磁精选最佳磁场强度为0.08T,在该条件下可获得TFe品位54.18%、回收率21.41%、TiO₂品位17.90%、回收率27.41%的铁精矿。

8.png

图3 精选磁场强度试验结果


2.2强磁预富集钛试验

2.2.1强磁粗选预富集钛试验

选钛矿物由弱磁粗选尾矿和弱磁精选尾矿两部分组成。弱磁粗选尾矿TiO₂品位为2.17%,弱磁精选尾矿中TiO₂品位为15.36%,弱磁粗选尾矿和弱磁精选尾矿TiO₂品位相差较大,对弱磁粗选尾矿采用高梯度磁选机进行预富集,大量抛除尾矿,再和铁精选尾矿合并选钛。

为寻求预富集钛铁矿的最佳试验条件,在流速3cm/s的条件下,进行了高梯度磁选机磁场强度(冲次200次/min)和冲次(磁场强度0.6T)试验,试验结果见图4。

9.png

图4 强磁粗选(a)磁场强度和(b)冲次试验结果

由图4(a)可知,随着磁场强度增加,精矿中TiO₂品位不断降低,回收率不断增加,当磁场强度为0.6T后,回收率增幅减小。综合考虑,强磁粗选预富集磁场强度最佳为0.6T,在该条件下,可获得TiO₂品位6.35%、回收率32.93%的预富集钛精矿。

由图4(b)可知,在磁场强度为0.6T的条件下,随着冲次增大,精矿中TiO₂品位不断增大,回收率逐渐降低。综合考虑,强磁粗选预富集的最佳冲次为200次/min,在该条件下,可获得TiO₂品位5.98%、回收率33.84%的预富集钛精矿。

2.2.2强磁精选预富集钛试验

强磁粗选富集的钛精矿品位较低,仅为5.98%,为进一步提高其品位,采用磨矿对其进一步解离,并将其和弱磁精选尾矿合并,然后采用高梯度磁选机再次富集钛,这样能有效抛除铁选别后的矿泥,避免大量矿泥罩盖在有用矿物上影响后续选别效果。选别试验流程见图5,钛粗精矿磨矿细度、磁场强度和冲次试验结果见图6、7。

10.png

图5 钛预富集试验流程

11.png

图6 强磁精选磨矿细度试验结果

由图6可知,在磁场强度0.8T、冲次200次/min的条件下,对强磁粗选预富集的钛精矿进行磨矿解离能明显提高TiO₂品位,其品位由强磁粗选的5.98%提高到了12%左右。随着磨矿细度增加,TiO₂品位逐渐增加,回收率总体也呈增加趋势,但当磨矿细度为-0.074mm占90%时回收率降低,原因在于矿物解离过细,高梯度磁选机中的磁介质难以吸附过细颗粒,造成回收率降低。综合考虑,强磁精选预富集钛的适宜磨矿细度为-0.074mm占80%。

在磨矿细度为-0.074mm占80%的条件下,进行了冲次和磁场强度试验,以期选出强磁精选预富集钛的最佳条件。

12.png

图7 强磁精选(a)冲次和(b)磁场强度试验结果

由图7(a)可知,在磁场强度为0.6T的条件下,随着冲次增加,高梯度精矿TiO₂品位不断增加,回收率逐渐降低,当回收率降低幅度达到250次/min后趋于稳定。综合考虑,强磁精选预富集钛的最佳冲次为200次/min,在该条件下,可获得TiO₂品位17.41%、回收率47.60%的预富集钛精矿。

由图7(b)可知,在冲次为200次/min的条件下,随着磁场强度增加,TiO₂品位不断降低,回收率不断增加,当磁场强度为0.8T后,TiO₂品位和回收率变化幅度较小。因此强磁精选预富集钛的最佳磁场强度为0.8T,在该条件下,可获得TiO₂品位14.91%、回收率49.40%的预富集钛精矿。


2.3摇床精选钛试验

2.3.1分级摇床对比试验

摇床因其富集比高、一次选别就能得到最终精矿、床面上矿物分带明显等优点,广泛应用于钛铁矿精选。磁选预富集的钛精矿并未达到合格品位,采用摇床对其进一步选别。为获得最优指标,对比了磁选钛精矿不分级、筛分为+0.045和-0.045mm两个粒级、筛分为+0.045、-0.045+0.038和-0.038mm三个粒级的摇床分选效果,试验结果见图8。由图8可知,精细分级对摇床分选钛效果更佳,能有效避免摇床分选水流夹带作用把细粒级钛冲进尾矿或中矿中。后续试验采用将矿物分为+0.045、-0.045+0.038和-0.038mm三个粒级进行分选。

13.png

图8 分级摇床分选试验结果

2.3.2摇床中矿再选试验

将磁选预富集后的钛精矿细分为+0.045、-0.045+0.038和-0.038mm三个粒级进行分选,能有效回收大部分钛,但试验过程发现+0.045mm粒级的矿物摇床分选后还有TiO₂品位14.89%的钛残留于中矿中,将其进行再磨至-0.045mm,再分级为-0.045+0.038、-0.038mm二个粒级继续进行摇床分选,试验流程见图9,试验结果见表5。

14.png

图9 摇床中矿再选试验流程

表5 摇床中矿再选试验结果

15.png

由表5可知,将+0.045mm粒级重选后的中矿进行再磨再选,可回收1.70%、TiO₂品位44.01%的钛精矿2,与上一级摇床重选所获得的TiO₂品位46.50%、回收率23.56%的钛精矿1进行合并,可获得TiO₂品位46.32%、回收率25.26%的总钛精矿。


2.4全流程试验

在最佳工艺参数条件下,采用“弱磁选铁—强磁预富集钛—摇床精选钛”的工艺进行了全流程试验,试验流程见图10,试验结果见表6,最终产品(铁精矿和钛精矿)的多元素分析结果见表7、8。

由表6~8结果可知,对矿石进行了“一粗一精,粗精矿再磨”的弱磁选铁流程,可得到TFe品位54.00%、回收率24.57%、mFe品位53.88%、回收率96.02%的铁精矿,铁精矿中含TiO₂ 17.34%、P 0.017%、S 0.016%、Al₂O₃ 3.04%、SiO₂ 1.22%,有效回收了矿物中的磁性铁。

对弱磁选铁的尾矿进行了“高梯度一粗一精、粗精矿再磨、分级摇床再选”的选钛试验流程,得到TiO₂品位47.32%、回收率25.71%的钛精矿,钛精矿含MgO 2.28%<3.5%、CaO 0.18%<1.0%、P 0.024%<0.08%、S 0.062%<0.2%、Fe₂O₃ 11.18%<17%、SiO₂ 3.77%<4%、Al₂O₃ 0.40%<3%、TiO₂+Fe₃O₂+FeO总含量为93%,最终钛精矿产品符合YS/T351—2015标准中的钛铁矿精矿六级标准。



3 结论

1)矿石中可回收的主要有价元素为Fe和Ti,其含量分别为14.64%和3.82%。脉石矿物主要为铝硅酸盐类矿物,含量高达60.35%。Fe和TiO₂主要集中分布在-2+0.038mm粗粒级中,分布率分别为82.45%、93.44%。细粒级中Fe和TiO₂品位较低,仅为8.14%和0.73%。

2)铁主要赋存于赤(褐)铁矿和磁铁矿中,钛主要赋存于钛铁矿和钛磁铁矿。赤(褐)铁矿与钛铁矿理化性质相似,而磁铁矿和钛磁铁矿的磁性接近,选别过程中存在比较严重的交互影响。为综合回收矿物中的铁和钛,出于经济价值考虑,主要回收钛铁矿中的钛和磁铁矿中的铁。

3)采用“弱磁选铁—强磁预富集钛—摇床精选钛”的试验流程,获得了分选指标为mFe品位53.88%、回收率96.02%的铁精矿,TiO₂品位47.32%、回收率25.71%的钛精矿,且钛精矿达到钛铁矿精矿六级标准(YS/T351—2015)。


  • 行业动态

  • 成果展示